Retour à l'accueil
 
 
Recherche de schémas
Collection CD/DVD

Service schémathèque 

1 document correspond à votre recherche.

Caractéristiques de l'appareil
Marque :
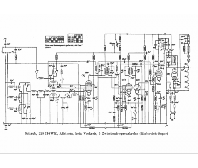
Schaub Lorenz
Modèle :
229-11 GWK
Type appareil :
récepteur à tubes
1 document correspondant à cet appareil
Schéma Schaub Lorenz 229-11 GWK
1 page
Document présent dans Rétro-schémas 2 Acheter
En ligne, disponible en téléchargement Télécharger
La consultation de cet espace schémathèque est en accès libre.