
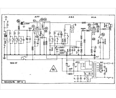
Marque :
Schaub Lorenz
Modèle :
197 w
Type appareil :
récepteur à tubes
Année :
1936
