
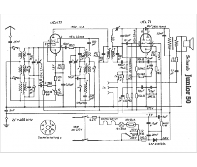
Marque :
Schaub
Modèle :
Junior 50
Type appareil :
récepteur à tubes
Pays d'origine :
Allemagne
