
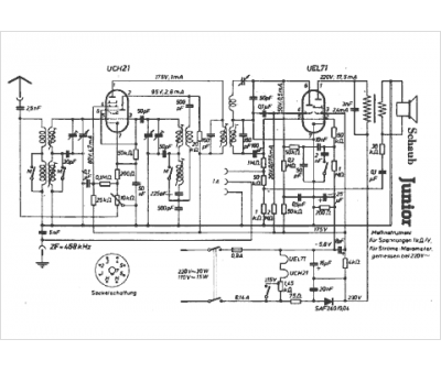
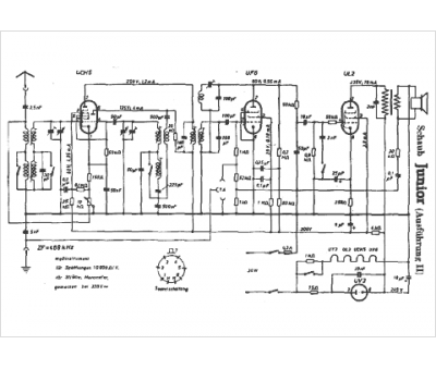
Marque :
Schaub
Modèle :
Junior
Type appareil :
récepteur à tubes
Pays d'origine :
Allemagne
