
Marque :
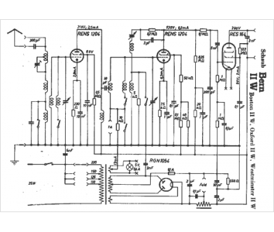
Schaub
Modèle :
Bern II W
Type appareil :
récepteur à tubes
Pays d'origine :
Allemagne
