
Marque :
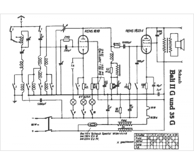
Schaub
Modèle :
Bali II G
Type appareil :
récepteur à tubes
Pays d'origine :
Allemagne
