
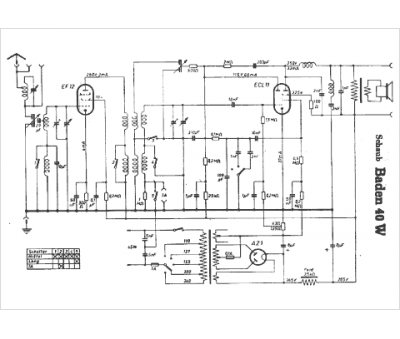
Marque :
Schaub
Modèle :
Baden 40 W
Type appareil :
récepteur à tubes
Pays d'origine :
Allemagne
