
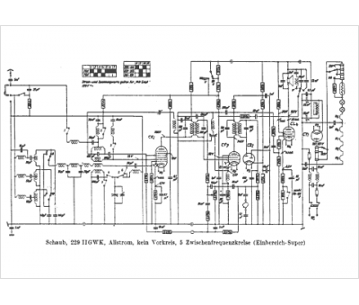
Marque :
Schaub
Modèle :
229 II-GWK
Type appareil :
récepteur à tubes
Pays d'origine :
Allemagne
