
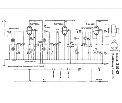
Marque :
Schaub
Modèle :
2 K 47
Type appareil :
récepteur à tubes
Pays d'origine :
Allemagne
