
Marque :
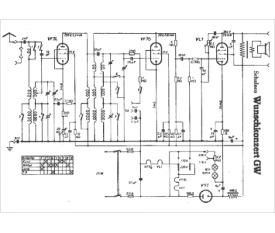
Schaleco
Modèle :
Wunschkonzert GW
Type appareil :
récepteur à tubes
Pays d'origine :
Allemagne
