
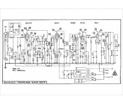
Marque :
Schaleco
Modèle :
Traumland super 265 w
Type appareil :
récepteur à tubes
Année :
1936
Pays d'origine :
Allemagne
