
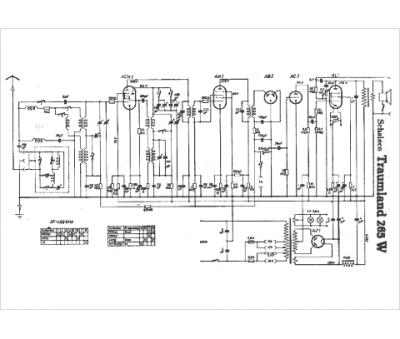
Marque :
Schaleco
Modèle :
Traumland 265 W
Type appareil :
récepteur à tubes
Pays d'origine :
Allemagne
