
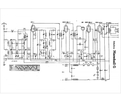
Marque :
Schaleco
Modèle :
Marschall g
Type appareil :
récepteur à tubes
Année :
1934
Pays d'origine :
Allemagne
