
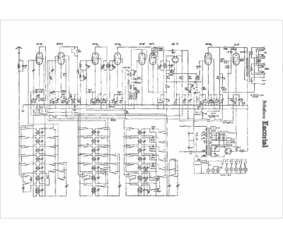
Marque :
Schaleco
Modèle :
Escorial
Type appareil :
récepteur à tubes
Pays d'origine :
Allemagne
