
Marque :
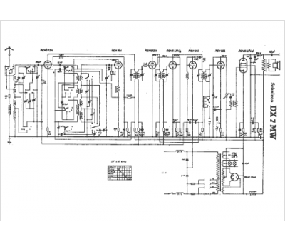
Schaleco
Modèle :
DX 7 MW
Type appareil :
récepteur à tubes
Pays d'origine :
Allemagne
