
Marque :
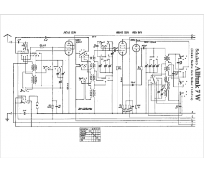
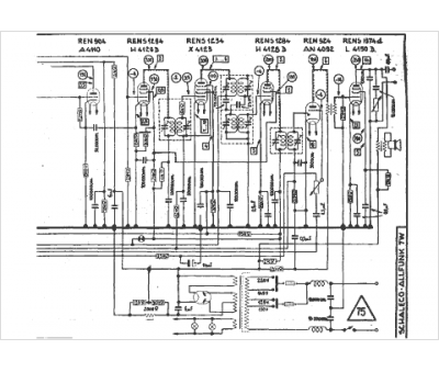
Schaleco
Modèle :
Allfunk 7 w
Type appareil :
récepteur à tubes
Année :
1934
Pays d'origine :
Allemagne
