
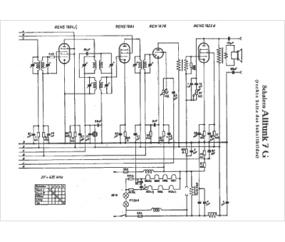
Marque :
Schaleco
Modèle :
Allfunk 7 G
Type appareil :
récepteur à tubes
Pays d'origine :
Allemagne
