
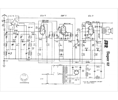
Marque :
SBR
Modèle :
Super 07
Type appareil :
récepteur à tubes
Pays d'origine :
Belgique, Hongrie
