
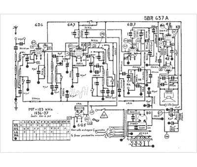
Marque :
SBR
Modèle :
637 A
Type appareil :
récepteur à tubes
Année :
1936
Pays d'origine :
Belgique, Hongrie
