
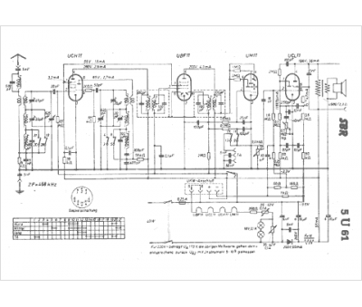
Marque :
SBR
Modèle :
5U 61
Type appareil :
récepteur à tubes
Pays d'origine :
Belgique, Hongrie
