
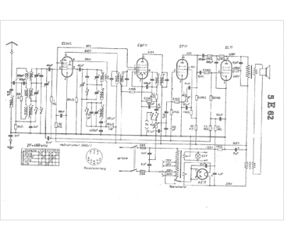
Marque :
SBR
Modèle :
5E 62
Type appareil :
récepteur à tubes
Pays d'origine :
Belgique, Hongrie
