
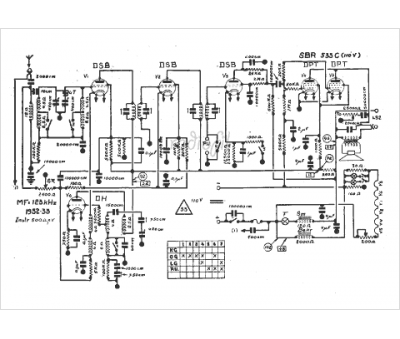
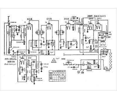
Marque :
SBR
Modèle :
533 c 110v
Type appareil :
récepteur à tubes
Année :
1932
Pays d'origine :
Belgique, Hongrie
