
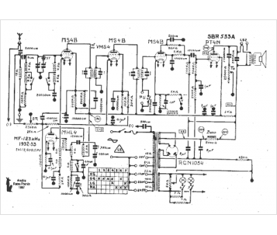
Marque :
SBR
Modèle :
533 A
Type appareil :
récepteur à tubes
Année :
1932
Pays d'origine :
Belgique, Hongrie
