
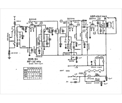
Marque :
SBR
Modèle :
434 c
Type appareil :
récepteur à tubes
Année :
1933
Pays d'origine :
Belgique, Hongrie
