
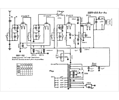
Marque :
SBR
Modèle :
432 A2
Type appareil :
récepteur à tubes
Année :
1931
Pays d'origine :
Belgique, Hongrie
