
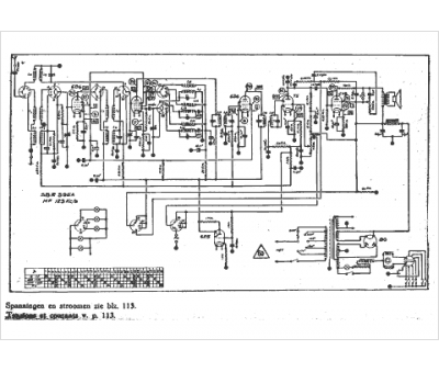
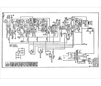
Marque :
SBR
Modèle :
395 A
Type appareil :
récepteur à tubes
Année :
1937
Pays d'origine :
Belgique, Hongrie
