
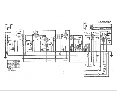
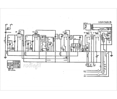
Marque :
SBR
Modèle :
365 b
Type appareil :
récepteur à tubes
Année :
1935
Pays d'origine :
Belgique, Hongrie
