
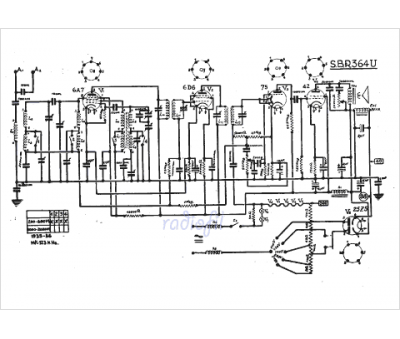
Marque :
SBR
Modèle :
364 U
Type appareil :
récepteur à tubes
Année :
1934
Pays d'origine :
Belgique, Hongrie
