
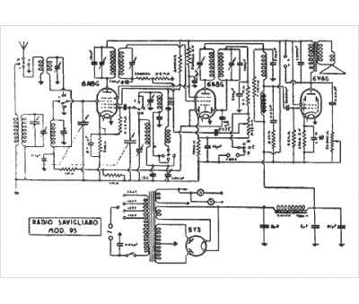
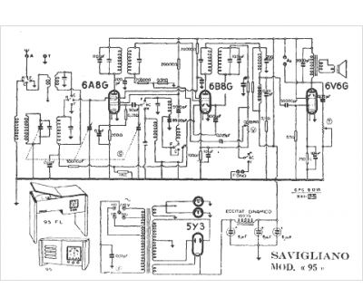
Marque :
Savigliano
Modèle :
95
Type appareil :
récepteur à tubes
Pays d'origine :
Italie
