
Marque :
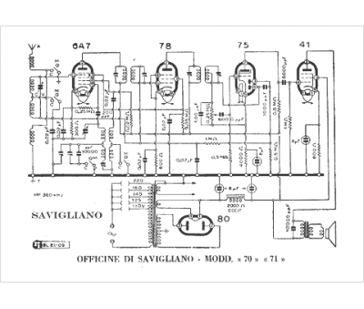
Savigliano
Modèle :
70
Type appareil :
récepteur à tubes
Pays d'origine :
Italie
