
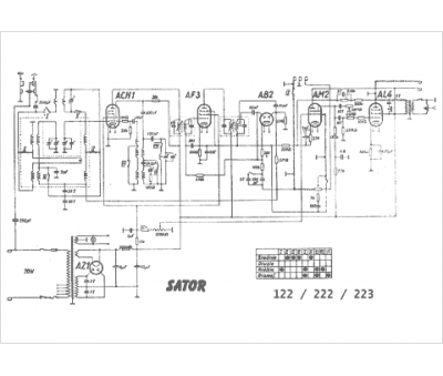
Marque :
Sator
Modèle :
122
Type appareil :
récepteur à tubes
Pays d'origine :
Hongrie
