
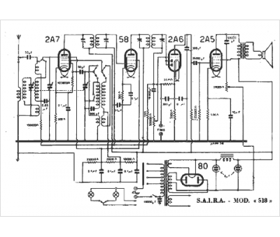
Marque :
SAIRA
Modèle :
518
Type appareil :
récepteur à tubes
Pays d'origine :
Italie
