
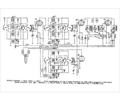
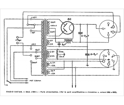
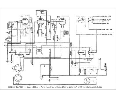
Marque :
Safar
Modèle :
844
Type appareil :
récepteur à tubes
Pays d'origine :
Italie
