
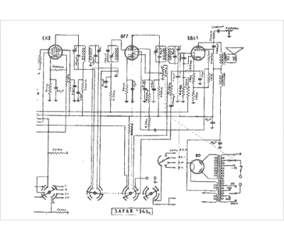
Marque :
Safar
Modèle :
543
Type appareil :
récepteur à tubes
Pays d'origine :
Italie
