
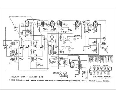
Marque :
Safar
Modèle :
535
Type appareil :
récepteur à tubes
Pays d'origine :
Italie
