
Marque :
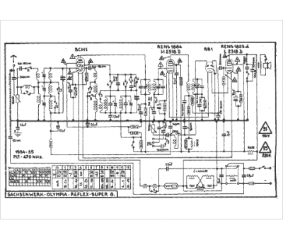
Sachsenwerk
Modèle :
Olympia Reflex superg
Type appareil :
récepteur à tubes
Année :
1934
Pays d'origine :
Allemagne
