
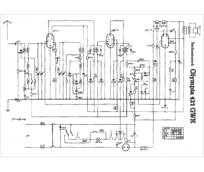
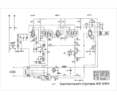
Marque :
															Sachsenwerk																																															
														Modèle :
																Olympia 421 GWK																																	
															Type appareil :
																récepteur à tubes
															Pays d'origine :
																Allemagne
															




