
Marque :
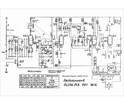
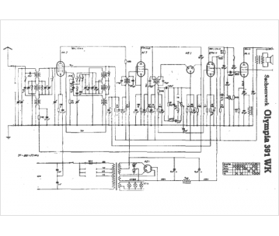
Sachsenwerk
Modèle :
Olympia 391 WK
Type appareil :
récepteur à tubes
Pays d'origine :
Allemagne
