
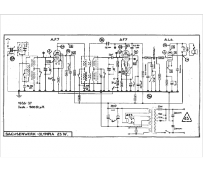
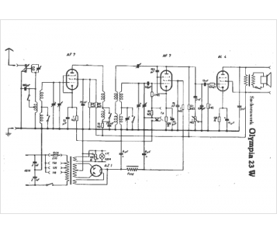
Marque :
Sachsenwerk
Modèle :
Olympia 23 w
Type appareil :
récepteur à tubes
Année :
1936
Pays d'origine :
Allemagne
