
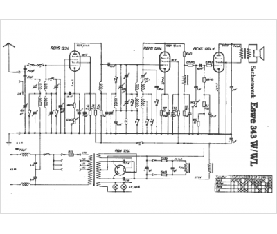
Marque :
Sachsenwerk
Modèle :
Eswe 343 W-WL
Type appareil :
récepteur à tubes
Pays d'origine :
Allemagne
