
Marque :
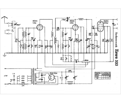
Sachsenwerk
Modèle :
Eswe 333
Type appareil :
récepteur à tubes
Pays d'origine :
Allemagne
