
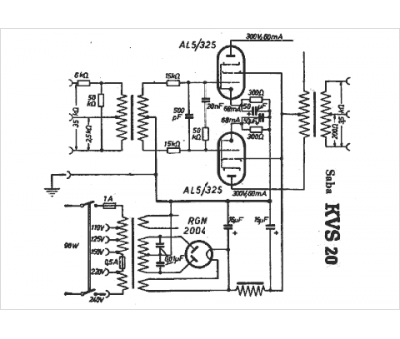
Marque :
Saba
Modèle :
KVS 20
Type appareil :
récepteur à tubes
Pays d'origine :
Allemagne
