
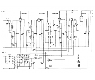
Marque :
Saba
Modèle :
41 W
Type appareil :
récepteur à tubes
Pays d'origine :
Allemagne
