
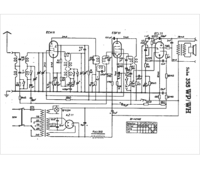
Marque :
Saba
Modèle :
355 WH
Type appareil :
récepteur à tubes
Pays d'origine :
Allemagne
