
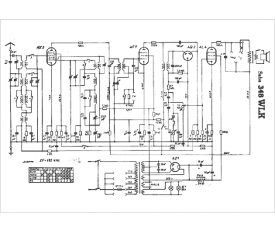
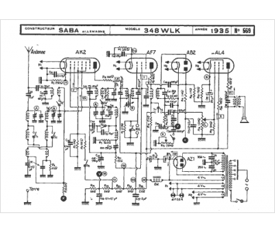
Marque :
Saba
Modèle :
348 WLK
Type appareil :
récepteur à tubes
Année :
1935
Pays d'origine :
Allemagne
