
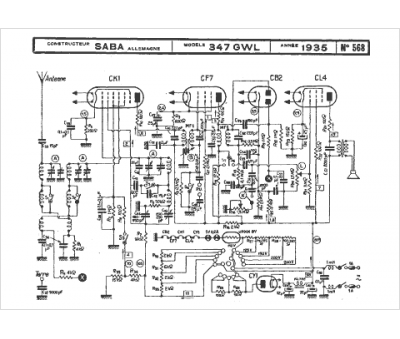
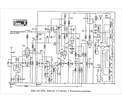
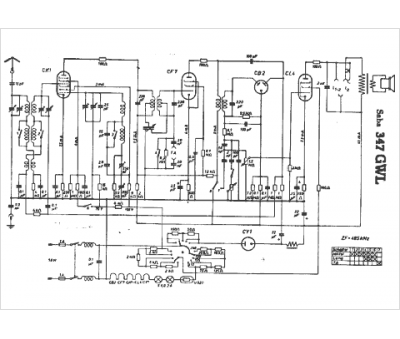
Marque :
Saba
Modèle :
347 GWL
Type appareil :
récepteur à tubes
Année :
1935
Pays d'origine :
Allemagne
