
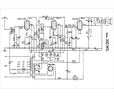
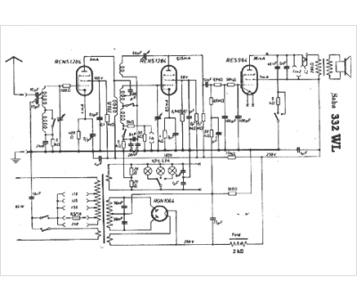
Marque :
Saba
Modèle :
332 WL
Type appareil :
récepteur à tubes
Pays d'origine :
Allemagne
