
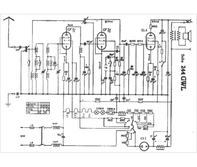
Marque :
Saba
Modèle :
244 GWL
Type appareil :
récepteur à tubes
Année :
1938
Pays d'origine :
Allemagne
