
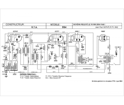
Marque :
RTA
Modèle :
BS4
Type appareil :
récepteur à tubes
Pays d'origine :
France
