
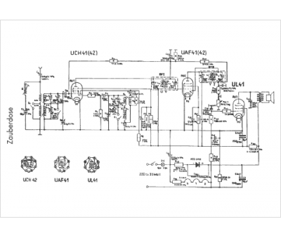
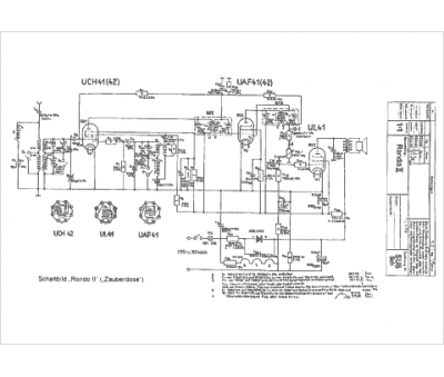
Marque :
Rondo
Modèle :
Zauberdose
Type appareil :
récepteur à tubes
Pays d'origine :
Allemagne
